Sterownik oświetlenia schodów LED S2-P z czujkami ruchu Alfa zapalanie równocześnie [warianty]
Kod produktu: ZES2-P+2ALFA
Wystaw opinię o produkcie
dostawa do dowolnego Paczkomatu w Polsce w 24-48 godzin od nadania przesyłki
Koszty dostawy wybranego produktu
Cena dostawy dotyczy tego produktu (w wybranym wariancie - jeśli dotyczy). Może się ona zmienić po dodaniu innych produktów do koszyka.
Wybierz wariant produktu:
Poszczególne warianty mogą różnić się ceną
Gwarancja bezpiecznego zakupu
Opis produktu
Sterownik oświetlenia schodowego LED premium z czujnikami ruchu oraz czujką zmierzchu
Zestaw schodowy Premium do sterowania oświetleniem LED 12V/24V DC
Kompletny zestaw w wersji Premium, stworzony do efektownego i inteligentnego sterowania oświetleniem LED 12V/24V DC na klatkach schodowych. Pracuje w instalacjach z równoległym podłączeniem opraw, zapewniając płynne uruchamianie i wygaszanie oświetlenia w zadanym czasie, z możliwością ostrzeżenia przed zgaśnięciem oraz wydłużenia czasu świecenia.
Zestaw może również działać w trybie czuwania, delikatnie podświetlając schody (dotyczy opraw współpracujących ze ściemnianiem). Dzięki współpracy z czujnikami ruchu i funkcją zmierzchową sprawdza się jako nowoczesny automat schodowy do podświetlanych stopni, poręczy i oświetlenia głównego.
Jak działa sterownik schodowy?
Sercem systemu jest sterownik schodowy S2-P (Premium) – nowoczesny kontroler oświetlenia. Ruch wykrywany jest przez czujniki ALFA, a funkcję zmierzchową zapewnia wbudowany w sterownik wyłącznik zmierzchowy (po podłączeniu sondy światła).
Sterownik obsługuje dwa wyjścia:
- L1 – sterowanie oświetleniem poszczególnych stopni (główna grupa opraw),
- L2 – najczęściej jako lampa Master (np. poręcz, oświetlenie główne, dodatkowa strefa).
Lampa Master (L2) może zapalać się przed grupą L1 lub równocześnie z nią, a wyłącza się na końcu cyklu. W zależności od ustawień sterownik pozwala też na:
- tryb łączny – L1 i L2 włączają się i gasną jednocześnie,
- tryb mini fali świetlnej – sekwencyjne włączanie/wyłączanie dwóch grup (idealne przy schodach dwubiegowych, gdzie grupa 1 i 2 odpowiadają za różne poziomy).
Komfort i funkcjonalność
Po zmroku, w trybie czuwania, oświetlenie może być:
- całkowicie wyłączone, albo
- lekko rozświetlone (dla opraw ściemnialnych) jako subtelne podświetlenie orientacyjne.
Gdy użytkownik pojawi się na schodach, sterownik przechodzi w tryb aktywny i uruchamia oświetlenie w obu grupach. Po upływie ustawionego czasu światło zostaje automatycznie:
- wyłączone, albo
- przygaszone do wcześniej ustawionego poziomu podświetlenia.
W oprawach ściemnialnych rozjaśnianie i wygaszanie odbywa się płynnie, z regulacją dynamiki w 7-stopniowej skali. W przypadku opraw nieściemnialnych sterowanie odbywa się skokowo. Dodatkowo dostępna jest funkcja sygnalizacji przed wyłączeniem, co poprawia wygodę i bezpieczeństwo.
Automatyka zmierzchowa (blokada dzienna)
Po podłączeniu sondy światła sterownik może zostać zablokowany w ciągu dnia przez zintegrowany wyłącznik zmierzchowy. Oznacza to, że urządzenie nie reaguje na sygnały sterujące (czujniki ruchu, przyciski), a oświetlenie pozostaje wyłączone. System działa więc tylko wtedy, gdy jest potrzebny – zapewniając wygodę i realną oszczędność energii.
Najważniejsze cechy sterownika S2-P
- Obsługa 1 lub 2 grup lamp.
- Tryb włączania i wyłączania oświetlenia: jednoczesny.
- Zintegrowany wyłącznik zmierzchowy, który umożliwia blokadę działania sterownika w ciągu dnia.
- Wbudowany konfigurator z 17 parametrami, pozwalający na dokładne dopasowanie pracy urządzenia do instalacji i preferencji użytkownika.
- Wydajność prądowa wyjść: 8A dla L1 oraz 2A dla L2.
- Wysoka moc wyjściowa: do 240W przy zasilaniu lamp napięciem 24V DC.
- Trzy wejścia sterujące: UP, DN oraz MID, które mogą być aktywowane:
- ręcznie — za pomocą dowolnych łączników bezpotencjałowych typu przycisk,
- automatycznie — np. przez czujniki ruchu z wyjściem bezpotencjałowym, przekaźnikowym lub typu OC,
- albo w trybie mieszanym.
- Możliwość równoległego podłączenia praktycznie dowolnej liczby przycisków oraz czujników ruchu ALFA i DELTA, co pozwala wygodnie sterować oświetleniem LED nawet na wielopoziomowych klatkach schodowych.
- Wejście DIS do podłączenia sondy światła lub opcjonalnie programowalnego zegara astronomicznego (sprzedawanego osobno).
- Obsługa lamp LED ściemnialnych — z płynnym sterowaniem w technologii PWM — oraz lamp nieściemnialnych, działających w trybie skokowym.
- Możliwość współpracy z systemami inteligentnego domu, takimi jak KNX, Fibaro, Crestron, Lutron czy LON, poprzez wyjścia bezpotencjałowe.
Uwaga
W razie potrzeby do sterownika można równolegle podłączyć bardzo dużą liczbę przycisków i/lub czujników ruchu, co daje dużą swobodę projektowania instalacji i ułatwia sterowanie oświetleniem schodowym w bardziej rozbudowanych obiektach.
Główne funkcje zestawu:
- możliwość ustawienia 16 parametrów konfiguracyjnych sterownika, w tym czasu świecenia, cechy ściemnialności lamp oraz czasów: świecenia, zapalania, gaszenia i inne
- delikatne podświetlenie LED schodów po wykryciu ruchu przez czujniki
- sterowanie 2 grupami lamp L1 i L2 o poborze prądu 8A i 2A
- RÓWNOCZESNE włączanie pełnego oświetlenia lamp w ramach grupy po wykryciu osoby przez czujnik
- możliwość delikatnego podświetlenia lamp w stanie spoczynku (dla lamp ściemnialnych)
- RÓWNOCZESNE zgaszenie lamp po ustalonym czasie świecenia lub przygaszenie do ustalonej wartości podświetlenia
- wyłącznik zmierzchowy z sondą światła do instalacji wewnątrz lub na zewnątrz pomieszczeń (wbudowany w sterownik)
- równoczesne lub kolejne włączanie dwóch grup lamp
- 7-stopniowa regulacja płynności, czyli stopniowej zmiany jasności lamp
- funkcja lampy MASTER do oświetlenia górnego lub poręczy
- funkcja ściemniacza: ustawienie jasności świecenia i podświetlenia (osobno dla lampy MASTER)
- funkcja ostrzegania przed zgaszeniem świateł
- funkcja przedłużenia świecenia
- funkcja świecenia stałego
- możliwość podłączenia zewnętrznego automatu zmierzchowego lub zegara astronomicznego
- 3 wejścia do podłączenia czujników ruchu i ewentualnie przycisku (możliwość np. sterowania oświetleniem schodów z wyjściem na półpiętro)
- 2 czujniki ruchu o wąskim kącie patrzenia i regulowanym zasięgu, dedykowane do wykrywania ruchu na schodach; zasilanie 8-14VDC
Wersja premium sterownika oświetlenia schodów S2-P wyróżnia się:
wyłącznikiem zmierzchowym z sondą światła.
rozbudowany konfigurator, umożliwiający doskonałe dopasowanie działania do potrzeb użytkownika poprzez ustawienie 17 parametrów konfiguracyjnych:
- Lampa Master (NIE, SCIEM-R, SCIEM-W, SKOK-R, SKOK-W);
- Liczba ostrzeżeń (0-7);
- Typ ostrzeżeń (MRUGNIJ, PIKO, NANO, MIKRO, MILI);
- Typ kroku (ZWALNIA, STAŁY, PRZYSPIESZA);
- Kierunek gaszenia (WSTECZ, ZGODNY);
- Płynność (0-7); Jasność (10%-100%);
- Podświetlenie(0%-90%);
- Jasność Master (10%-100%);
- Podświetlenie Master(0%-100%);
- Czas zapalania (0s-24s);
- Czas świecenia (0s-240s);
- Czas ostrzeżenia (0s-24s);
- Czas oczekiwania (0s-24s);
- Czas gaszenia (0s-24s);
- Poziom aktywny (ZERO, JEDEN);
- Wejście DIS (BLOKUJ, ODBLOKUJ, PRZERZUCAJ,
- S1-S10 (progi jasności dla sondy światła)
Zestaw sterowania oświetleniem schodowym LED S2-P zawiera:
1. Inteligentny sterownik schodowy LED S2-P fala świetlna (model PREMIUM) z wbudowanym wyłącznikiem zmierzchowym i konfiguratorem 17 parametrów
2. Sondę światła z możliwością stosowania wewnątrz budynku jak i na zewnątrz.
3. 2 schodowe czujniki ruchu ALFA smartLEDs z możliwością wyboru koloru pokrywy.
Specyfikacja sterownika:
- Typ: sterownik schodowy
- Model: S2-P
- Napięcie zasilania: 8-24V
- Obciążenie prądowe wyjściowe: 19x 2A
- Rodzaj obciążenia: diodowe
- Liczba wejść sterujących: 3 (UP, DN, MID)
- Liczba sterowanych lamp: 1-2
- Klasa szczelności sterownika: IP20
- Klasa szczelności sondy światła: IP65
- Klasa ochronności: III
- Typ pracy: ciągła, wewnątrz pomieszczeń
- Temperatura pracy: od -10°C do +45°C
- Montaż sterownika: szyna DIN 35
- Wymiary sterownika: 3,5 cm x 9,0 cm x 6,5 cm (2 moduły)
- Wymiary sondy światła: średnica 17mm, długość 32mm, przewód 1m
- Gwarancja producenta: 2 lata
Specyfikacja czujnika:
- Napięcie zasilania: 8-24 V DC (typowo 12VDC)
- Wyjście: NPN OC (aktywny stan niski); max. 30V 250mW
- Zasięg: Regulowany 30cm -100cm (potencjometr wieloobrotowy z przodu czujnika, pod osłoną)
- Kąt detekcji: <15°
- Sygnalizacja zasięgu: TAK (czerwona dioda z przodu czujnika, pod osłoną)
- Sygnalizacja wykrycia obiektu: TAK (zielona dioda z przodu czujnika, pod osłoną)
- Pobór mocy: 120mW (przy 12V zasilania)
- Pobór prądu: 10mA
- Podłączenie: 3-polowa listwa zaciskowa
- Wymiary: 42 mm (średnica osłony); 35mm (średnica montażu); 25 mm (głębokość)
- Obudowa: Tworzywo ABS
- Kolor osłony: do wyboru biała, szara, brązowa, czarna
- Stopień ochrony: IP20
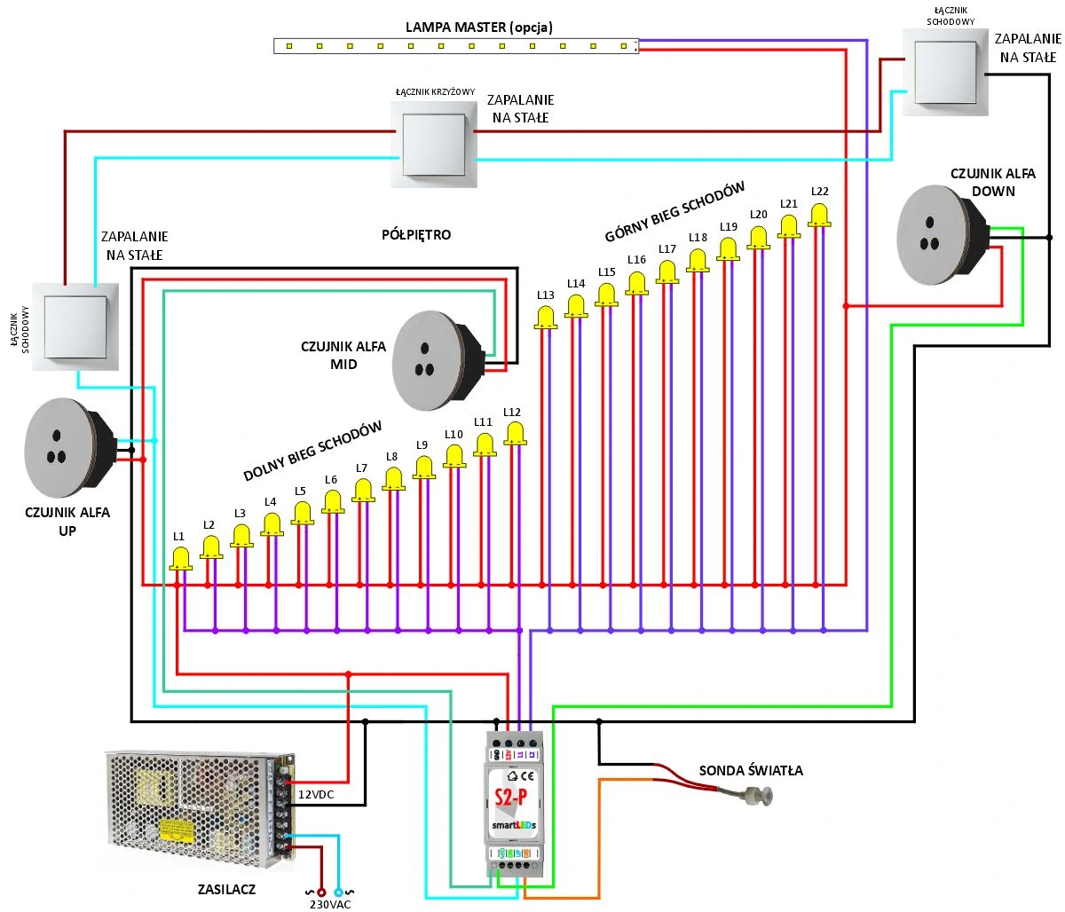
Poglądowy schemat podłączenia
Standardowa instalacja schodowa S2-P z jednym wspólnym zasilaczem dla sterownika, czujników i opraw, z lampą Master, sterowana czujnikami schodowymi ALFA, z użyciem wbudowanego czujnika zmierzchu, oraz z opcjonalną możliwością stałego włączenia oświetlenia.
Założenia:
- 2 strefy (grupy) opraw schodowych LED (wyjście L2 jako alternatywa dla lampy Master)
- opcjonalna lampa Master (L2) jako oświetlenie górne lub doświetlenie poręczy (np. taśma LED)
- wspólne źródło zasilania dla sterownika, czujników ALFA i opraw LED (zwykle: 12 V DC)
- automatyczne załączanie oświetlenia przez czujniki schodowe ALFA (ewentualnie: przyciski, fotokomórki itp.)
- opcjonalna funkcja stałego świecenia realizowana dodatkowymi łącznikami
- blokada pracy w dzień dzięki wbudowanemu wyłącznikowi zmierzchowemu

Pliki do pobrania
Instrukcja obsługi sterownika
Instrukcja obsługi czujnika
Opinie
Jeśli dodałeś/-aś recenzję, a nie pojawiłą się na liście, być może oczekuje na moderację.

